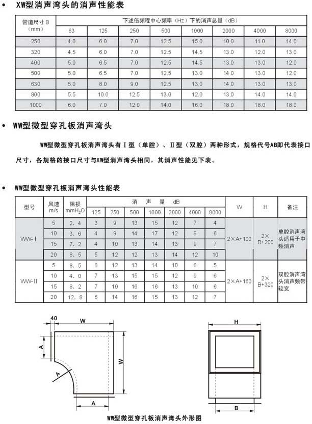
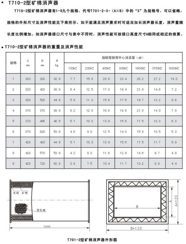
您当前的位置:首页 > 产品展示

消声器系列

产品名称:消声器系列
产品编号:29
产品型号:消声器系列

Copyright ? 德赢VWIN风机(集团)有限公司 (绍兴德赢VWIN风机销售有限公司) 版权所有    浙ICP备20027036号-2        浙公网安备33060402001868